Sen Tắm Nóng Lạnh TOTO
Vòi Sen Tắm TOTO TBS03302V/TBW03002B Nóng Lạnh
(981 đánh giá)
Còn hàng
- Mã sản phẩm: TBS03302V/TBW03002B
- Thương hiệu: TOTO
- Bảo hành: Theo quy định của nhà sản xuất.
- Công nghệ sản xuất: Nhật Bản.
- Vận chuyển: Miễn phí nội thành Hà Nội.
- Lắp đặt: Hỗ trợ lắp đặt – Chi phí thỏa thuận.
Giá gốc là: 4,620,000 ₫.3,603,600 ₫Giá hiện tại là: 3,603,600 ₫.
Thông tin cơ bản vòi hoa sen TOTO TBS03302V/TBW03002B
- Mã sản phẩm: TBS03302V-TBW03002B
- Tên sản phẩm: Sen tắm nóng lạnh LC
- Bát sen massage 5 chế độ
- Áp lực nước: 0.05MPa ~ 0.75MPa
- Chất liệu: Đồng
- Lớp mạ: Nickel Chrome
Tính năng vòi hoa sen TOTO TBS032302V TBW03002B
- Thiết kế hiện đại hài hòa với dòng sản phẩm LC
- Thân van bằng đồng thau
- Van đĩa bằng sứ chống bám cặn bẩn giúp khóa nước hoàn toàn
- Công nghệ sản xuất: Nhật Bản
- Xuất xứ sản phẩm: Việt Nam
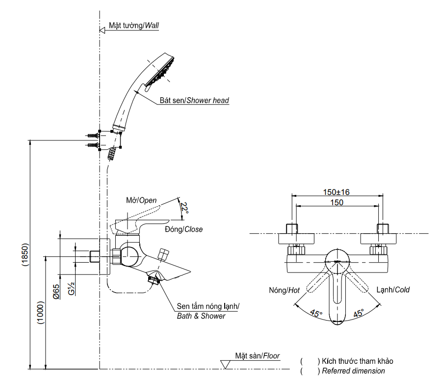
Bản vẽ bộ vòi sen TBS03302V+TBW03002B TOTO












