Sen Cây Nhiệt Độ TOTO
Vòi Sen Tắm Nhiệt Độ Nhật TOTO TBV03427V/TBW01010A Xả Bồn
(631 đánh giá)
Còn hàng
- Mã sản phẩm: TBV03427V/TBW01010A
- Thương hiệu: TOTO
- Bảo hành: Theo quy định của nhà sản xuất
- Công nghệ sản xuất: Nhật Bản.
- Vận chuyển: Miễn phí nội thành Hà Nội.
- Lắp đặt: Hỗ trợ lắp đặt – Chi phí thỏa thuận.
Giá gốc là: 11,890,000 ₫.9,274,200 ₫Giá hiện tại là: 9,274,200 ₫.
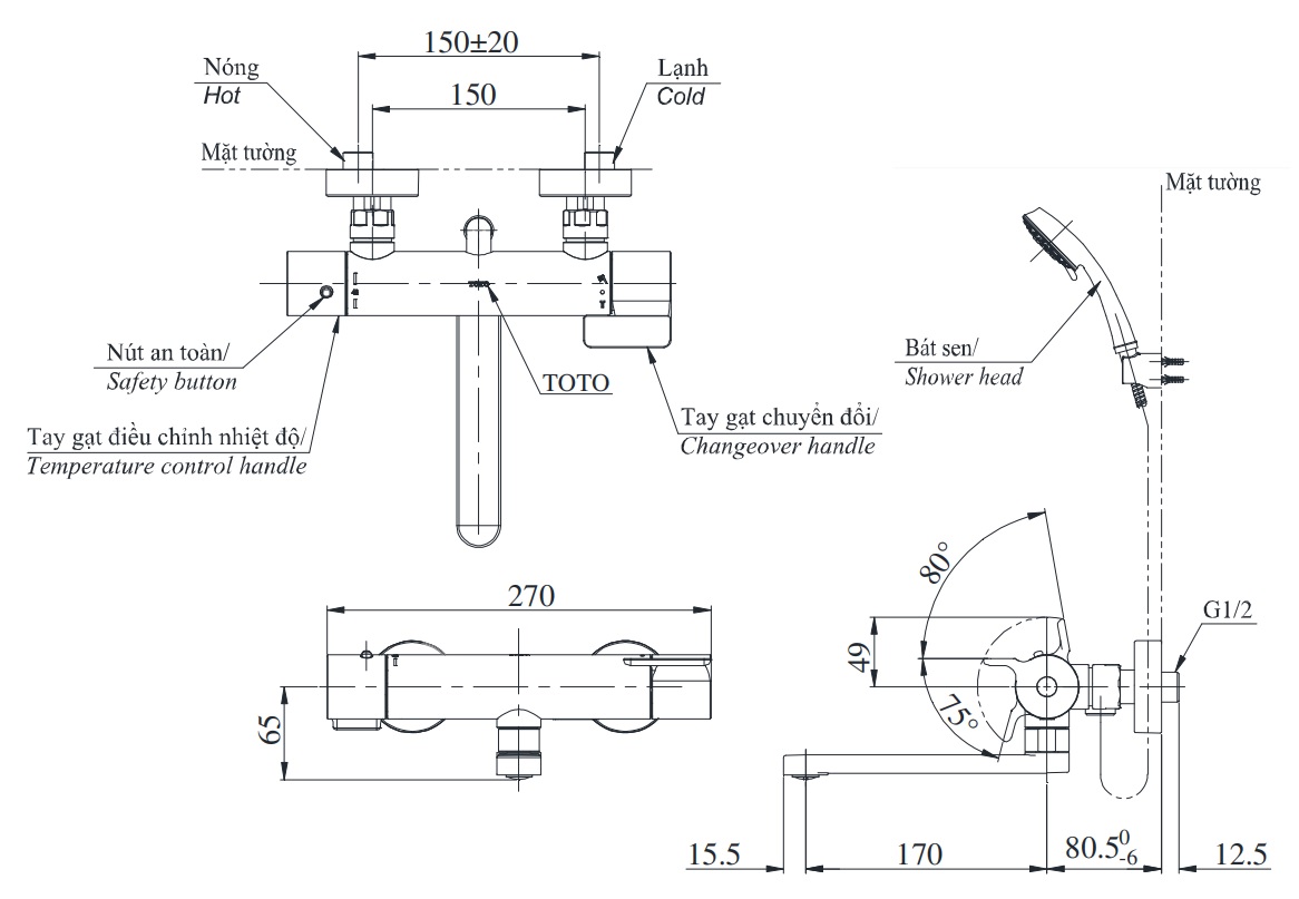
Thông số kỹ thuật vòi sen tắm Nhật TOTO TBV03427V/TBW01010A
- Tên sản phẩm: Sen tắm nhiệt độ Nhật Bản GG
- Mã sản phẩm: TBV03427V+TBW01010A
- Bát sen tiết kiệm nước
- Đầu vòi và tay sen có nút điều chỉnh lưu lượng nước
- Bát sen Aerial Shower
- Bao gồm gác sen, không bao gồm cút nối tường
- Sử dụng công nghệ van nhiệt SMA
- Áp lực nước: 0.1MPa ~ 0.75MPa
- Lớp mạ: Nickel Chrome
- TBV03427V – Xuất xứ: Nhật Bản
- TBW01010A – Xuất xứ: Trung Quốc
Tính năng vòi sen nhiệt độ tự động TOTO TBV03427V-TBW01010A
- Sen tắm nhiệt độ Nhật Bản dòng GG
- Sử dụng công nghệ van nhiệt SMA Tay gạt đóng mở thiết kế hình cung, làm bằng chất liệu kim loại cao cấp dễ sử dụng
- Thiết kế mang đậm phong cách Nhật
- Bát sen Aerial Shower tiết kiệm nước
- Bát sen massage 3 chế độ kèm gác sen
- Lớp mạ bền vững với thời gian
- Thân van bằng đồng thau
- Van đĩa bằng sứ chống bám cặn bẩn giúp khóa nước hoàn toàn












