Đặc điểm nổi bật của van xả bồn tiểu Inax OKUV-32SM
- Van xả tiểu nam Inax tiện nghi, dễ sử dụng
- Van xả cảm ứng dùng điện
- Bộ điều khiển lắp đặt bên trong sẽ tính lượng nước xả mỗi lần tùy cường độ sử dụng
- Sản phẩm luôn sạch sẽ và không còn mùi hôi
- Bộ cảm biến tích hợp trong mặt kính, ngăn chặn sự va chạm
- Tiết kiệm nước
- Chỉ sử dụng nước máy (không sử dụng nước giếng).
Thông số sản phẩm van xả bồn tiểu Inax OKUV-32SM
- Mã sản phẩm: OKUV-32SM
- Loại sản phẩm: Van cảm ứng tiểu nam âm tường INAX
- Màu sắc: Crome
- Lớp mạ: Crom Niken
- Áp lực nước: 0.07MPa ~ 0.75MPa
- Hãng sản xuất : INAX
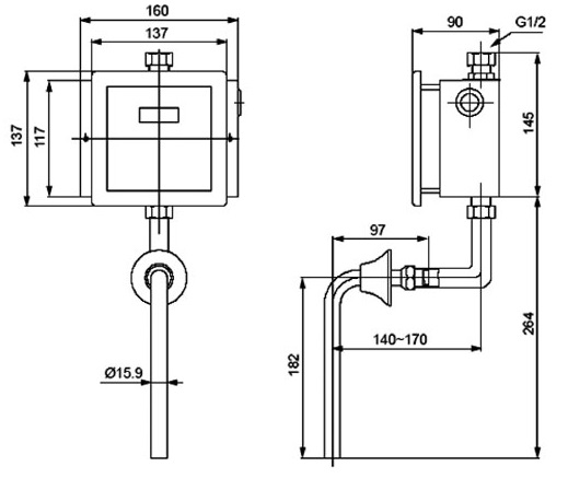
- Kích thước: 137 x 137 mm
Bản vẽ kỹ thuật van xả bồn tiểu Inax OKUV-32SM












