Sen Tắm Nóng Lạnh TOTO
Sen Tắm TOTO TBG02302VA Nóng Lạnh
(235 đánh giá)
Còn hàng
- Mã sản phẩm: TBG02302VA
- Thương hiệu: TOTO
- Bảo hành: Theo quy định của nhà sản xuất
- Công nghệ sản xuất: Nhật Bản.
- Vận chuyển: Miễn phí nội thành Hà Nội.
- Lắp đặt: Hỗ trợ lắp đặt – Chi phí thỏa thuận.
Giá gốc là: 5,090,000 ₫.3,970,200 ₫Giá hiện tại là: 3,970,200 ₫.
Thông tin vòi sen TOTO TBG02302VA
- Vòi sen tắm TOTO TBG02302VA của thương hiệu thiết bị vệ sinh TOTO
- Thiết kế hiện đại hài hòa với dòng sản phẩm GR Series
- Chất liệu: Đồng
- Lớp mạ: Crome, Nikel
- Không bao gồm tay sen cầm tay
- Áp lực nước 0.05MPa ~ 0.75MPa
- Công nghệ sản xuất: Nhật Bản
- Xuất xứ: Việt Nam
Tính năng vòi hoa sen TOTO TBG 02302VA
- Thân van bằng đồng thau
- Van đĩa bằng sứ chống bám cặn bẩn giúp khóa nước hoàn toàn
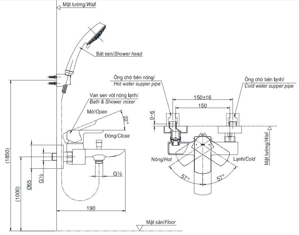
Bản vẽ củ sen TBG02302 VA












