Thông số kỹ thuật
- Áp lực nước: 0.05MPa ~ 0.75MPa
- Chất liệu: Đồng mạ Nikel-Crom
- Chủng loại: Sen tắm nóng lạnh
- Hãng sản xuất: GROHE
- Công nghệ sản xuất: Châu Âu
- Xuất Xứ: Đức
Đặc điểm nổi bật
- Sử dụng công nghệ GROHE TurboStat ngăn ngừa sự tăng nhiệt độ đột ngột và giữ cho nhiệt độ nước luôn ổn định. Bề mặt được bảo vệ bởi lớp phủ cách nhiệt Inner WaterGuide Chính vì vậy, Sen tắm nóng lạnh GROHE 3359230A là lựa chọn phù hợp với những gia đình có người già và trẻ nhỏ, không phải lo lắng nhiệt độ quá nóng gây bỏng rát nếu không chỉnh nhiệt độ kịp như vòi tắm thông thường.
- Thiết kế bát sen có kích thước lớn. Tích hợp công nghệ GROHE DreamSpray với đầu vòi hoa sen tiên tiến. Đảm bảo dòng nước cân bằng từ tất cả loại đầu phun giúp bạn tận hưởng cảm giác thư giãn trên cơ thể, thoải mái tâm trí và giải tỏa căng thẳng.
- Chế độ GROHE AquaDimmer giúp bạn có thể chuyển đổi giữa vòi tắm và sen tay, cũng như điều chỉnh lưu lượng nước một cách dễ dàng, tiết kiệm nước đến 40%.
- Sản phẩm được sơn mạ Crôm GROHE StarLight. Từ đó giúp vòi có khả năng chống mài mòn, chống trầy xước. Dễ lau, đảm bảo độ sáng bóng lâu gấp 3 lần sản phẩm vòi thông thường.
- Công nghệ Twisfree chống xoắn dây vòi sen.
- Đặc biêt: Vòi được làm từ 100% đồng nguyên chất mang đến độ bền cao cho sản phẩm, loại bỏ hoàn toàn tình trạng ăn mòn, han gỉ trong môi trường tiếp xúc với nước hàng ngày.
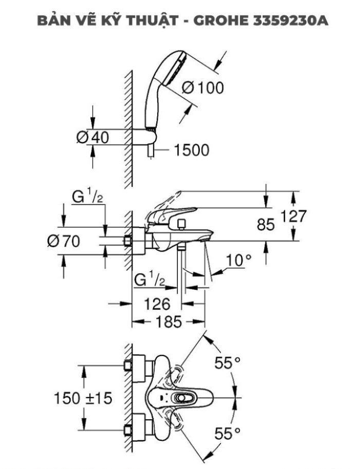
Bản vẽ kỹ thuật












