Sen Cây Nhiệt Độ TOTO
Sen Tắm Nhiệt Độ TOTO TBV03429V
(348 đánh giá)
Còn hàng
- Mã sản phẩm: TBV03429V
- Thương hiệu: TOTO
- Bảo hành: Theo quy định của nhà sản xuất
- Công nghệ sản xuất: Nhật Bản.
- Vận chuyển: Miễn phí nội thành Hà Nội.
- Lắp đặt: Hỗ trợ lắp đặt – Chi phí thỏa thuận.
Giá gốc là: 9,920,000 ₫.7,737,600 ₫Giá hiện tại là: 7,737,600 ₫.
Thông tin vòi sen TOTO TBV03429V
- Vòi sen tắm TOTO TBV03429V của thương hiệu thiết bị vệ sinh TOTO
- Thiết kế hiện đại, duy trì nhiệt độ phù hợp với cơ thể
- Chất liệu: Đồng
- Lớp mạ: Crome, Nikel
- Không bao gồm tay sen cầm tay
- Áp lực nước 0.05MPa ~ 0.75MPa
- Công nghệ sản xuất: Nhật Bản
- Xuất xứ: Việt Nam
Tính năng vòi hoa sen TOTO TBV03429V nhiệt độ
- Thiết kế sang trọng, tinh tế
- Công nghệ gạt êm ái
- Lớp mạ Niken dày gấp 3 lần, chống ăn mòn cao
- Công nghệ ổn định nhiệt Safety Thermo sử dụng lõi lò xo SMA
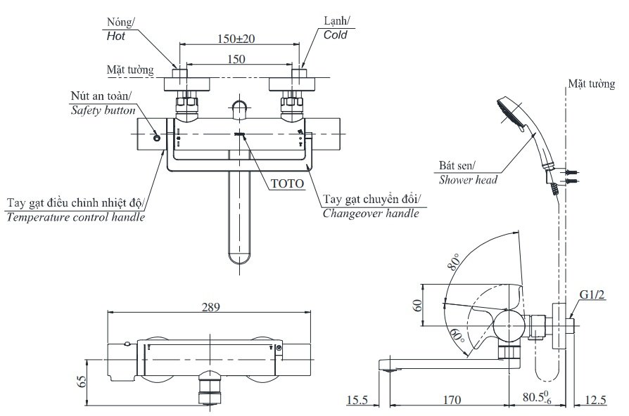
Bản vẽ kích thước củ sen TBV 03429V










