QUẠT HÚT THÔNG GIÓ GẮN TƯỜNG EX-20SH7T
- Mã sản phẩm: EX-20SH7T
- Thương hiệu: Mitsubishi
Bảo hành: Theo quy định của nhà sản xuất
Công nghệ sản xuất: Nhật Bản
Vận chuyển: Miễn phí nội thành Hà Nội
Lắp đặt: Hỗ trợ lắp đặt – Chi phí thỏa thuận
780,000 ₫
Quạt thông gió gắn tường EX-20SH7T bền bỉ vượt trội.
Với mục tiêu đem lại lợi ích cao nhất cho khách hàng, Quạt Mitsubishi sử dụng động cơ cho quạt thông gió khép kín ngăn ngừa bụi hay các tạp chất bên ngoài bay vào làm giảm tuổi thọ. Ngoài ra quạt được thiết kế tiện lợi, dễ dàng lau chùi, vệ sinh.
Thông số kỹ thuật:
|
Tên Model |
Đơn vị |
EX-20SH7T |
|
Điện áp |
V |
230 |
|
Tần số |
Hz |
50 |
|
Hút / thổi |
|
Hút |
|
Dòng điện định mức |
A |
0.1 |
|
Tiêu thụ điện năng |
W |
20 |
|
Vòng quay/phút |
|
1.370 |
|
Lưu lượng gió |
m3/h |
600 |
|
CFM |
353 |
|
|
Độ ồn |
dB |
39 |
|
Trọng lượng |
kg |
2.2 |
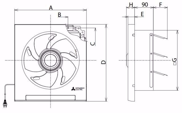
Chi tiết kỹ thuật của Quạt thông gió gắn tường Mitsubishi EX-20SH7T:
|
Tên Model |
EX-20SH7T |
![]() |
|
A (mm) |
296 |
|
|
B (mm) |
120 |
|
|
C (mm) |
265 |
|
|
D (mm) |
320 |
|
|
E (mm) |
36 |
|
|
F (mm) |
40 |
|
|
G (mm) |
240 |
|
|
H (mm) |
50 |
|
|
Kích thước chừa lỗ (mm) |
250 |












