Thông số kỹ thuật
- Điện áp : 220 V/50 Hz
- Công suất : 27 W
- Lưu lượng gió : 920 m3/h
- Kích thước chừa lỗ vuông : 30 cm
- Độ ồn: 39 dB
Tính năng
- Lắp đặt gắn tường
- Loại 1 chiều, 1 cấp độ gió
- Động cơ được trang bị bộ cảm biến nhiệt
- Cách quạt thiết kế tiên tiến cho luồng khí mạnh mẽ
- Màn che tự động đóng mở khi quạt chạy hay dừng
- Động cơ bạc đạn giúp quạt vận hành êm ái tuổi thọ cao
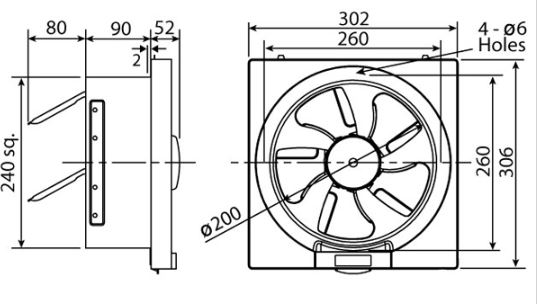
Bản vẽ kỹ thuật












