Máy Sấy Tay TOTO
Máy Sấy Tay TOTO TYC122W
(931 đánh giá)
Còn hàng
- Mã sản phẩm: TYC122W
- Thương hiệu: TOTO
- Bảo hành: Theo quy định của nhà sản xuất
- Công nghệ sản xuất: Nhật Bản
- Vận chuyển: Miễn phí nội thành Hà Nội.
- Lắp đặt: Hỗ trợ lắp đặt – Chi phí thỏa thuận.
Giá gốc là: 7,300,000 ₫.5,694,000 ₫Giá hiện tại là: 5,694,000 ₫.
Thông tin cơ bản máy sấy tay TOTO TYC122W treo tường
- Máy sấy tay tốc độ cao TOTO TYC122W 220V của thương hiệu thiết bị vệ sinh TOTO
- Công suất: 545 – 585W / 48 – 49Db
- Cân nặng : 3 kg
- Chất liệu: Nhựa PP
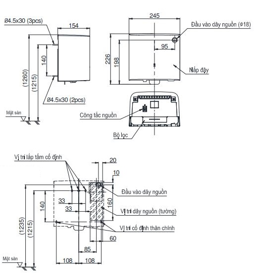
- Kích thước: 245 x 154 x 226 mm
- Thời gian sấy: 15 (s)
- Xuất xứ: Trung Quốc
Tính năng máy sấy khô tay TYC122W TOTO
- Kiểu dáng hiện đại
- Lỗ thổi gió bao quanh khu vực sấy tay
- Thiết kế thanh mảnh không làm mất không gian
- Chất liệu nhựa PP cao cấp












