Thông tin lavabo Caesar L2140 treo tường
- Mã sản phẩm: L2140
- Tên sản phẩm: Chậu rửa mặt lavabo Caesar treo tường
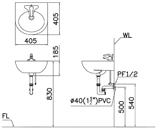
- Kích thước: 405 x 405 x 185mm (DxRxC)
- Chất liệu: Sứ
- Không bao gồm vòi và bộ xả
- Phù hợp lắp đặt với vòi rửa mặt: B350CU, B224CU, B060C, B040C
- Công nghệ: Đài Loan
- Xuất xứ: Việt Nam
- Bảo hành: 2 năm
Bản vẽ kỹ thuật chậu rửa mặt Caesar L2140












