Chậu Rửa Treo Tường Inax
Chậu rửa treo tường Inax AL-312V(EC/FC)
(397 đánh giá)
Còn hàng
- Mã sản phẩm: AL-312V(EC/FC)
- Thương hiệu: Inax
- Loại : Chậu rửa treo tường
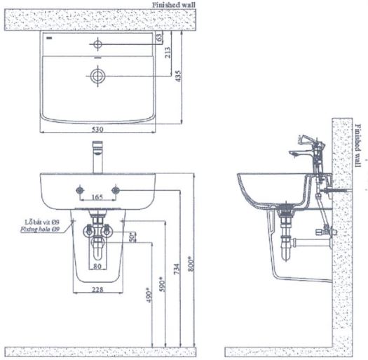
- Kích thước : 530x435x196mm
- Chậu rửa treo tường, bề mặt trơn bóng, sạch sẽ
- Kiểu dáng trang nhã
- Công nghệ Aqua Ceramic
Giá gốc là: 2,060,000 ₫.1,689,200 ₫Giá hiện tại là: 1,689,200 ₫.
Thông tin chậu rửa mặt Inax AL-312V/L-298VC treo tường
-
Tên sản phẩm lavabo kèm chân treo tường Inax
-
Kích thước (D x R x C): 530 x 435 x 196 mm
-
Màu sắc: Trắng
-
Chất liệu sứ cao cấp, chống bám bẩn
-
AL-312VEC : Kiểu 3 lỗ
-
AL-312VFC : Kiểu 1 lỗ
-
Chân treo: L-298VC
-
Không bao gồm phụ kiện ( vòi, bộ xả…)
-
Có thể dùng với vòi: LFV-612S, LFV-1112S, LFV-1402S, LFV-402S, LFV-21S, …
Bản vẽ bồn rửa mặt lavabo INAX AL312V L298VC












