Chậu Rửa Dương Bàn Inax
Chậu rửa đặt bàn Inax AL-536V
(773 đánh giá)
Còn hàng
- Mã sản phẩm: AL-536V
- Thương hiệu: Inax
- Chất liệu : Sứ tráng men Aqua Ceramic
- Màu sắc : Trắng
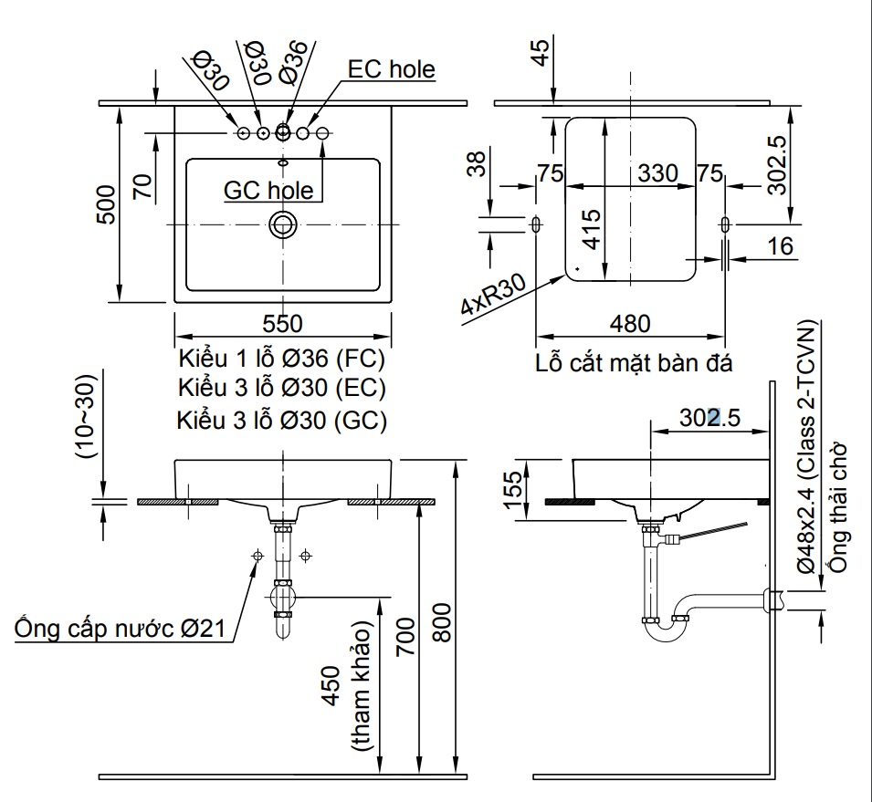
- Kích thước (RxDxC): 500 x 550 x 155 mm
- Kiểu lắp đặt : Chậu rửa đặt bàn đá.
Giá gốc là: 4,250,000 ₫.3,485,000 ₫Giá hiện tại là: 3,485,000 ₫.
Thông tin cơ bản chậu rửa mặt Inax AL-536V
-
Dòng sản phẩm chậu rửa lavabo INAX AL-536V đặt bàn hình chữ nhật đến từ INAX
-
Màu sắc: Trắng
-
Kích thước (dài x rộng x cao): 550 x 500 x 155 mm
-
Chiều cao thành chậu: 100 mm
-
Với đặc tính kháng khuẩn, dễ lau chùi
-
Chất liệu sứ Aqua Ceramic cao cấp, chống bám bẩn
-
AL-536VEC : Kiểu 3 lỗ
-
AL-536VFC : Kiểu 1 lỗ
-
AL-536VGC: Chậu 3 lỗ gắn vòi 2 tay gạt
-
Không bao gồm phụ kiện ( vòi, bộ xả…)
-
Có thể dùng với vòi: LFV-1402S , LFV-402S , LFV-5002S , LFV-5012S…
Bản vẽ bồn rửa mặt lavabo INAX AL536V












