Bồn tiểu Viglacera Tiểu nam treo tường, cảm ứng âm tường dùng pin
– Thiết bị cảm ứng được đặt trong tường, giảm sự tác động ô-xi hóa và ẩm ướt từ môi trường
– Nước xả đều quanh lòng tiểu nên rất sạch và khô
– Men Nano nung: Diệt khuẩn, chống bám dính
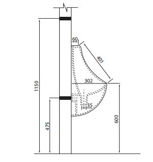
Bản Vẽ Kỹ Thuật












