Thông tin cơ bản bồn tiểu nam INAX U-116V
-
Bồn tiểu nam INAX U-116V cải tiến tiết kiệm nước, chống bám bẩn đến từ thương hiệu thiết bị vệ sinh INAX
-
Đã bao gồm gioăng nối tường UF-13AWP(VU)
-
Không bao gồm bộ xả
-
Màu sắc: Trắng
-
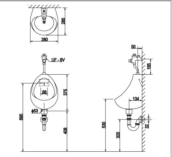
Kích thước: 285 x 280 x 375mm
-
Sử dụng được với van xả UF-8V
Tính năng chậu tiểu nam treo tường U116V INAX
-
Bệ tiểu được thiết kế nhỏ gọn, tiện dụng tạo nên không gian đẹp
-
Chế độ xả thẳng, đều mạnh mẽ, tiết kiệm nước
-
Phù hợp với điều kiện áp lực nước thấp
Bản vẽ bệ tiểu nam INAX U116 V treo tường












