Bồn Cầu Hai Khối TOTO
Bồn Cầu Hai Khối TOTO CS948CDW17 Kèm Nắp Rửa Điện Tử WASHLET Dòng C2
(429 đánh giá)
Còn hàng
- Mã sản phẩm: CS948CDW17XW
- Thương hiệu: TOTO
- Bảo hành: Theo quy định của nhà sản xuất
- Công nghệ sản xuất: Nhật Bản
- Vận chuyển: Miễn phí nội thành Hà Nội.
- Lắp đặt: Hỗ trợ lắp đặt – Chi phí thỏa thuận.
Giá gốc là: 21,217,000 ₫.16,549,260 ₫Giá hiện tại là: 16,549,260 ₫.
Thông tin bồn cầu TOTO CS948CDW17 nắp rửa điện tử
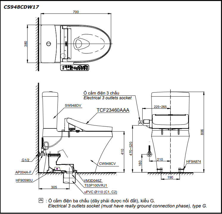
- Kích thước: 700D x W380 x H806 mm
- Màu sắc: Trắng
- Hệ thống xả: Torrnado
- Lượng nước xả: 4.5L/3L
- Thiết kế: Thân dài, thân kín
- Tâm xả: 305 mm
- Áp lực nước: 0.05 ~ 0.70 MPa
- Nguồn điện: 220V, 50/60Hz
- Lưu ý: Bao gồm bích nối sàn, van dừng
Tính năng bàn cầu nắp rửa điện tử TOTO CS948CDW17XW giấu dây
- Thiết kế giấu dây hiện đại, tăng tính thẩm mỹ
- Men sứ chống dính, chống bám bẩn CEFIONTECT
- Hệ thống xả xoáy Tornado siêu mạnh, siêu êm, tiết kiệm nước
- Công nghệ nước điện phân khử khuẩn Ewater+ (Vệ sinh vòi rửa)
- Vòi rửa massage đa chức năng, rửa sạch, êm ái
- Tự vệ sinh vòi rửa trước và sau khi sử dụng
- Sấy khô, khử mùi, sưởi ấm nắp ngồi
Bồn cầu Washlet TOTO CS948CDW17#XW bao gồm
- Thân cầu: C948C#XW – Xuất xứ: Việt Nam
- Két nước: S948D#W – Xuất xứ: Việt Nam
- Nắp bồn cầu điện tử: TCF23460AAA#NW1 – Malaysia












