Thông tin cơ bản bồn cầu Viglacera V811
- Bồn cầu Viglacera V811 một khối (két liền)
- 2 chế độ xả nhấn: 6l/3l
- Nắp nhựa rơi êm: V687
- Áp lực nước: 0.05 MPa ~ 0.75 MPa
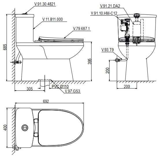
- Kích thước: 692 x 400 x 685 mm (Dài x Rộng x Cao)
- Tặng vòi xịt VG826
- Chế độ xả xoáy Max vortex
- Màu sắc: Trắng
- Công nghệ: Ý
- Sản xuất tại Việt Nam
- Bảo hành: 2 năm
Tính năng bàn cầu 1 khối V811 Viglacera
- Kiểu dáng một khối, dễ dàng vệ sinh và ngăn bám bẩn
- Công nghệ xả: Max vortex (xả xoáy vành trơn kết hợp lực hút Siphon, hạn chế tiếng ồn)
- Men sứ Nano Titan Ag+ Ceramic: Kháng khuẩn, chống bám dính
- Nắp PP rơi êm, kháng khuẩn
- Xả nhấn tiết kiệm nước với 2 chế độ tiểu | đại: 3L | 6L
Bản vẽ bệ xí bệt Viglacera V 811 liền khối












